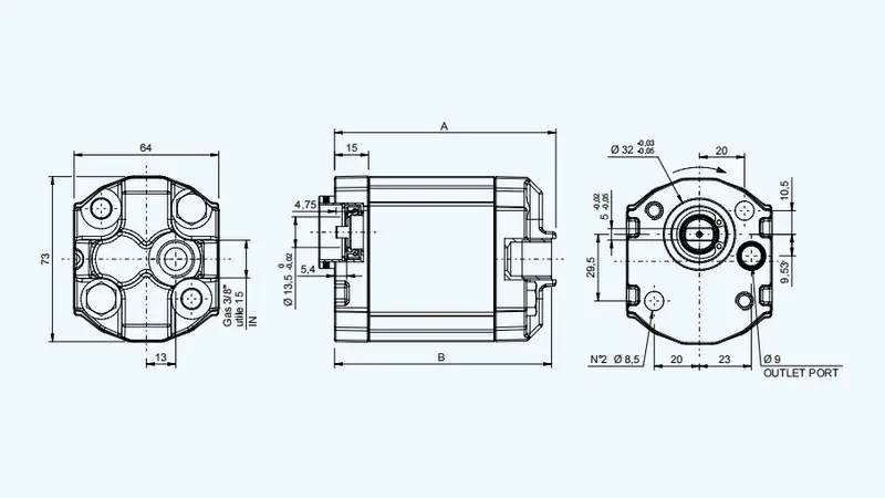
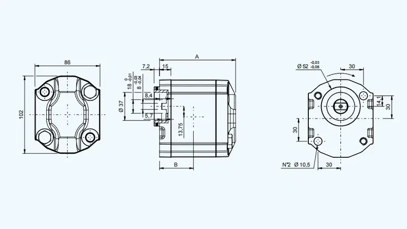
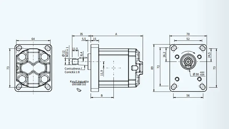
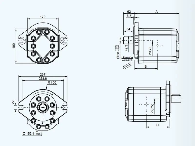
Noah US系列超静音斜齿轮泵是我们公司针对低噪音、高效率、长寿命需求设计的工业液压动力元件。该系列泵采用斜齿轮啮合技术与优化流道设计,显著降低压力脉动与运行噪音,同时保持高容积效率与可靠性,广泛应用于对噪音敏感的精密设备、医疗机械、自动化产线等场景。
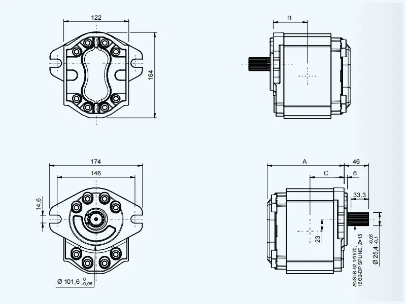
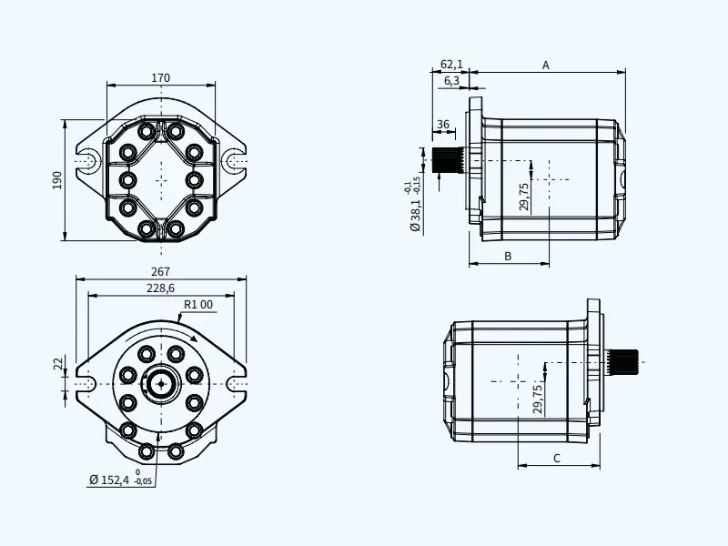
| 型号 | 排量(cc/rev) | 流量 (L/min) | 尺寸A (mm) | 尺寸B (mm) | 连续压力 (bar) | 间歇压力 (bar) | 峰值压力 (bar) | 噪音水平 (dBA) |
| 50 | 505 | 727 | 1,795 | 8,150 | 275 | 280 | 300 | 57 |
| 63 | 635 | 914 | 1,885 | 8,600 | 249 | 260 | 280 | 57 |
| 75 | 750 | 1,081 | 1,965 | 9,000 | 229 | 250 | 270 | 57 |
| 90 | 909 | 1,309 | 2,075 | 955 | 178 | 240 | 260 | 57 |
| 型号 | 排量(cc/rev) | 流量 (L/min) | 尺寸A (mm) | 尺寸B (mm) | 尺寸C(mm) | 连续压力 (bar) | 间歇压力 (bar) | 峰值压力 (bar) | 噪音水平 (dBA) | |
| 0 | OE | |||||||||
| 50 | 505 | 727 | 1,570 | 705 | 70,5 70,5 | 275 | 280 | 300 | 57 | |
| 63 | 635 | 914 | 1,660 | 750 | 785 | 750 | 249 | 260 | 280 | 57 |
| 75 | 750 | 1,081 | 1,740 | 790 | 825 | 790 | 229 | 250 | 270 | 57 |
| 90 | 909 | 1,309 | 1,850 | 845 | 88,0 84,5 | 178 | 240 260 | 57 | ||
