HL系列内啮合齿轮泵采用月牙形内啮合齿轮组设计,以超低脉动、紧凑结构、高耐压性为核心竞争力,专为对噪音敏感、空间受限且要求精密流量控制的场景打造。广泛应用于机床液压系统、橡塑机械、工程机械、农机行业等高端领域,尤其适配低粘度介质(如合成油、水乙二醇)的高效输送。
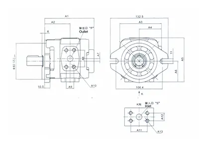
| 泵型号 | A1 | A2 | A3 | A4 | A5 | A6 | A7 | P | A8 | A9 |
|
|
101.5 | 52.5 | 96 | 51 | 100.6 | 47 | 5.8 | Ø9 | 38.1 | 17.5 |
|
|
105.5 | 54.5 | 96 | 51 | 100.6 | 47 | 5.8 | Ø11 | 38.1 | 17.5 |
|
|
108.5 | 56 | 96 | 51 | 100.6 | 47 | 5.8 | Ø11 | 38.1 | 17.5 |
|
|
113 | 58.25 | 96 | 51 | 100.6 | 47 | 5.8 | Ø13 | 38.1 | 17.5 |
|
|
118 | 60.75 | 96 | 51 | 100.6 | 47 | 6.2 | Ø13 | 38.1 | 17.5 |
|
|
117.5 | 59.25 | 99.6 | 49.8 | 106.6 | 55.8 | 6.2 | Ø13 | 38.1 | 17.5 |
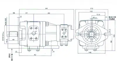
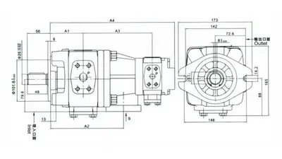
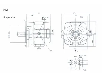
| 泵型号 | A1 | A2 | P | A3 | A4 | A5 | S | A6 | A7 | A8 |
|
|
139 | 73 | Ø18 | 47.6 | 22.2 | M10深17 | Ø32 | 58.7 | 30.2 | M10深17 |
|
|
146 | 76.5 | Ø18 | 47.6 | 22.2 | M10深17 | Ø32 | 58.7 | 30.2 | M10深17 |
|
|
153 | 80 | Ø20 | 52.4 | 26.2 | M10深17 | Ø32 | 58.7 | 30.2 | M10深17 |
|
|
163 | 85 | Ø20 | 52.4 | 26.2 | M10深17 | Ø32 | 58.7 | 30.2 | M10深17 |
|
|
177 | 92 | Ø20 | 52.4 | 26.2 | M10深17 | Ø32 | 58.7 | 30.2 | M10深17 |
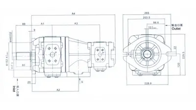
| 泵型号 | A1 | A2 | P | A3 | A4 | A5 | S | A6 | A7 | A8 |
|
|
204 | 109.5 | Ø32 | 69.9 | 35.7 | M12深20 | Ø50 | 77.8 | 42.9 | M12深20 |
|
|
213 | 114 | Ø32 | 69.9 | 35.7 | M12深20 | Ø50 | 77.8 | 42.9 | M12深20 |
|
|
225 | 120 | Ø38 | 79.4 | 36.5 | M16深25 | Ø63.5 | 88.9 | 50.8 | M12深20 |
|
|
243 | 129 | Ø38 | 79.4 | 36.5 | M16深25 | Ø76 | 106.4 | 61.9 | M16深25 |
| 泵型号 | A1 | A2 | 后泵规格 | |||||
| 13 | 16 | 20 | ||||||
| A3 | A4 | A3 | A4 | A3 | A4 | |||
|
|
73 | 164.5 | 165.8 | 297 | 168.5 | 302.5 | 172.5 | 310.5 |
|
|
76.5 | 171.5 | 169.3 | 304 | 172 | 309.5 | 176 | 317.5 |
|
|
80 | 178.5 | 172.8 | 311 | 175.5 | 316.5 | 179.5 | 324.5 |
|
|
85 | 188.5 | 177.8 | 321 | 180.5 | 326.5 | 184.5 | 334.5 |
|
|
92 | 202.5 | 184.8 | 335 | 187.5 | 340.5 | 191.5 | 348.5 |
| 泵型号 | A1 | A2 | 后泵规格 | |||||||||
| 3.5 | 05 | 6.3 | 08 | 10 | ||||||||
| A3 | A4 | A3 | A4 | A3 | A4 | A3 | A4 | A3 | A4 | |||
|
|
73 | 164.5 | 159 | 281 | 161 | 285 | 162.5 | 288 | 164.8 | 292.5 | 167.3 | 297.5 |
|
|
76.5 | 171.5 | 162.5 | 288 | 164.5 | 292 | 166 | 295 | 168.3 | 299.5 | 170.8 | 304.5 |
|
|
80 | 178.5 | 166 | 295 | 168 | 299 | 169.5 | 302 | 171.8 | 306.5 | 174.3 | 311.5 |
|
|
85 | 188.5 | 171 | 305 | 173 | 309 | 174.5 | 312 | 176.8 | 316.5 | 179.3 | 321.5 |
|
|
92 | 202.5 | 178 | 319 | 180 | 323 | 181.5 | 326 | 183.8 | 330.5 | 186.3 | 335.5 |
| 泵型号 | A1 | A2 | 后泵规格 | |||||||||
| 25 | 32 | 40 | 50 | 63 | ||||||||
| A3 | A4 | A3 | A4 | A3 | A4 | A3 | A4 | A3 | A4 | |||
|
|
73 | 168 | 175 | 314 | ||||||||
|
|
76.5 | 175 | 178.5 | 321 | 182 | 328 | ||||||
|
|
80 | 182 | 182 | 328 | 185.5 | 335 | 189 | 342 | ||||
|
|
85 | 192 | 187 | 338 | 190.5 | 345 | 194 | 352 | 199 | 362 | ||
|
|
92 | 206 | 194 | 352 | 197.5 | 359 | 201 | 366 | 206 | 376 | 213 | 390 |
我们斥资引进国际领先的精密加工设备,打造现代化制造平台。核心加工车间配备了日本原装进口的 MAZAK(马扎克) 系列数控车削/铣削复合加工中心及 MAKINO(牧野) 卧式加工中心。


