
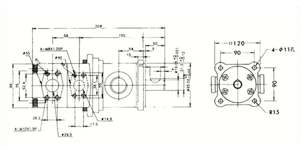
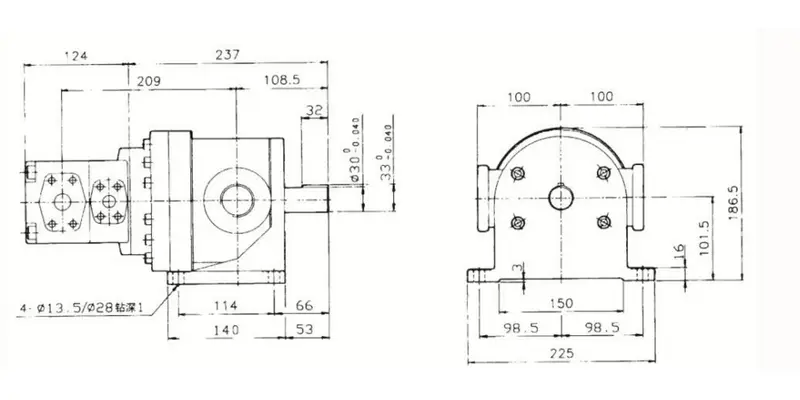
| 型号 | 吐出能力 (cc/rev) | 最大压力 (kgf/cm²) | 额定速度 (rpm) | ||||
| 最大 | 最小 | ||||||
| 1000rpm | 1200rpm | 1500rpm | 1800rpm | ||||
|
|
48.3 | 57.96 | 72.4 | 86.9 | 90 | 1800 | 900 |
|
|
61.5 | 73.8 | 92.2 | 110.7 | 90 | 1800 | 900 |
|
|
75.5 | 90.6 | 113.2 | 135.9 | 90 | 1500 | 900 |
|
|
94.2 | 113 | 141.3 | 169 | 70 | 1500 | 900 |
|
|
116.3 | 139.6 | 174 | — | 70 | 1200 | 900 |
|
|
6.2 | 7.4 | 9.3 | 11.2 | 210 | 1800 | 1200 |
|
|
8.1 | 9.7 | 12.1 | 14.6 | 245 | 1800 | 950 |
|
|
10.1 | 12.1 | 15.1 | 18.9 | 245 | 1800 | 950 |
|
|
12.2 | 14.6 | 18.3 | 21.9 | 245 | 1800 | 950 |
|
|
14.3 | 17.1 | 21.5 | 25.7 | 245 | 1800 | 950 |
|
|
17.1 | 20.5 | 25.6 | 30.7 | 245 | 1800 | 950 |
|
|
19.2 | 23 | 28.8 | 34.5 | 245 | 1800 | 950 |
|
|
23.3 | 27.9 | 34.9 | 41.9 | 245 | 1800 | 950 |
|
|
26.1 | 31.3 | 39.1 | 46.9 | 245 | 1800 | 950 |
|
|
31.1 | 37.3 | 46.6 | 55.8 | 245 | 1500 | 950 |
