
我们的电机泵组结合高效叶片泵与高性能电机,为工业应用设计,提供卓越的流体输送。
| 项目 | 技术参数值 | |
| 规 格 | 种类 | 三相鼠笼式感应电动机(SCIM) |
| 电压 | 世界各国电压均可承制 | |
| 频率 | 额定频率50HZ或者60HZ(5HP以下可生产50HZ/60HZ共用规格) | |
| 输出HP | 1~3HP | |
| 时间额定 | 额定转矩内连续使用 | |
| 冷却方式 | 全密型外扇强制冷却 | |
| 保护方式 | 全密型(IP54) | |
| 适用范围 | 电源 | 电压变动率:±10%以内,频率变动率:±5%以内 |
| 使用环境 | 一般室内环境,周温-10℃~40℃,湿度:RH90%以下 | |
| 带动方式 | 直结式轴心单键耦合传动 | |
| 转向 | 正转 | |
| 特 性 | 测试方式 | 依据国际电工规范(IEC34),中国国家标准(CNS10919),使用全压起动测试 |
| 温升 | 定子绕组温升:电阻法75℃以下,使用系数(S.F.)1.0 | |
| 过转速特性 | 4P为125%同步转速持续1分钟,6P为150%同步转速持续1分钟 | |
| 过转矩特性 | 160%额定转矩持续20秒 | |
| 项目 | 技术参数值 | |
| 规 格 | 种类 | 三相鼠笼式感应电动机(SCIM) |
| 电压 | 世界各国电压均可承制 | |
| 频率 | 额定频率50HZ或者60HZ(5HP以下可生产50HZ/60HZ共用规格) | |
| 输出HP | 1/2~10HP框号:71-132 | |
| 时间额定 | 额定转矩内连续使用 | |
| 冷却方式 | 全密型外扇强制冷却 | |
| 保护方式 | 全密型(IP54) | |
| 适用范围 | 电源 | 电压变动率:±10%以内,频率变动率:±5%以内 |
| 使用环境 | 一般室内环境,周温-10℃~40℃,湿度:RH90%以下 | |
| 带动方式 | 直结式轴心单键耦合传动 | |
| 转向 | 正转 | |
| 特 性 | 测试方式 | 依据国际电工规范(IEC34),中国国家标准(CNS10919),使用全压起动测试 |
| 温升 | 定子绕组温升:电阻法75℃以下,使用系数(S.F.)1.0 | |
| 过转速特性 | 4P为125%同步转速持续1分钟,6P为150%同步转速持续1分钟 | |
| 过转矩特性 | 160%额定转矩持续20秒 | |
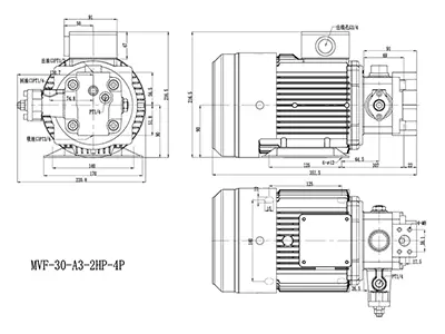
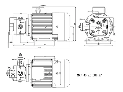
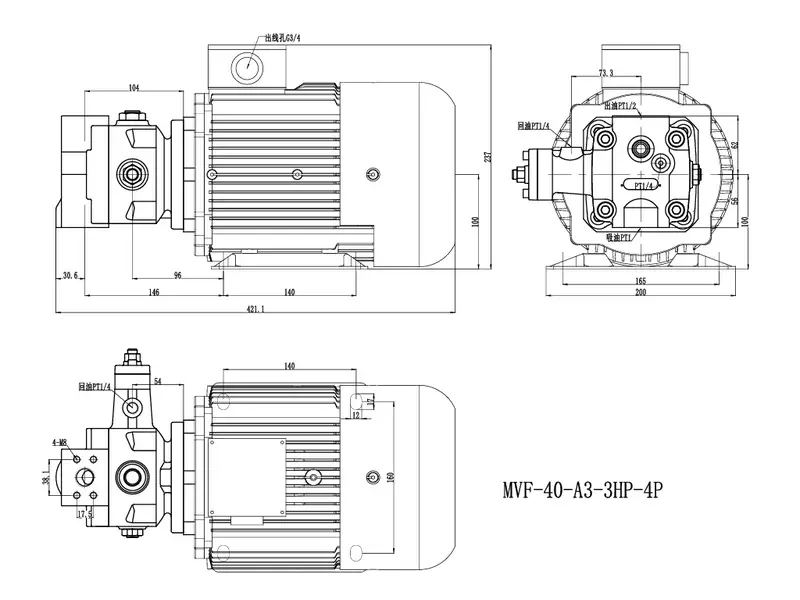
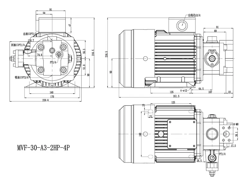
| 规格 | A | AA | AD | B | C | D | H | h | L |
|
|
125 | 158 | 136 | 100 | 76.3 | 69.5 | 80 | 216 | 337 |
|
|
125 | 158 | 136 | 100 | 78.7 | 95.5 | 80 | 227 | 365 |
|
|
125 | 158 | 136 | 100 | 76.3 | 69.5 | 80 | 216 | 410 |
|
|
140 | 177 | 145 | 125 | 73.5 | 69.5 | 90 | 226 | 364 |
|
|
140 | 177 | 145 | 125 | 75.4 | 95.5 | 90 | 237 | 392 |
|
|
140 | 177 | 145 | 125 | 75.4 | 95.5 | 90 | 237.4 | 476 |
|
|
140 | 177 | 145 | 125 | 104 | 104 | 90 | 188 | 430 |
|
|
160 | 200 | 157 | 140 | 88.4 | 95.5 | 100 | 247 | 427.4 |
|
|
160 | 200 | 157 | 140 | 88.4 | 95.4 | 100 | 247 | 511.4 |
